Introduction to Strowger
Group Selector P Wire Battery Testing
When a group selector hunts around a level for a free outlet, it needs to have the free outlets designated by a condition different from that when the outlet is busy. An earth condition is present when the outlet is busy as this condition can also be used to hold the connection on the busy outlet.
In large exchanges it is usual for the free condition to be a "dis" on the P wire. Normally the testing relay can be pre-operated and can hold to the busy earths and release when it reaches a free "dis" P wire outlet. The testing relay is also the switching relay and has to carry a heavy spring load, making it fast to release and therefore suitable for testing to a "dis". A 200 outlet group selector can be made with only five relays using this technique, making the switch smaller and cheaper and enabling more shelves to be fitted on a rack, all important qualities in a larger exchange. The disadvantage is that banks must be kept clean and wipers and cords in good condition.
Small exchanges are generally unmanned and dirty banks etc would be a major hazard to a "dis" testing selector, particularly as traffic may be light and subsequent calls would be likely to follow the same route through the exchange and come across the same fault leaving a caller isolated. Battery testing is preferable in these circumstances as an inadvertent "dis" on the p wire would simply mark the outlet as busy and the caller's selector would find a later selector. However battery testing requires a relay to operate when the selector wipers pass over a free outlet. Such a relay has to be very fast to operate and cannot therefore have a large springset load. A separate switching relay must be employed.
In a PABX a high speed relay is used for testing. In a UAX a very lightly loaded 3000 type relay is used. It also has a very small winding with only eleven ohms resistance and little inductance in order to ensure its fast to operate characteristic. Such relays and testing circuits also have to be arranged so that two selectors attempting to switch simultaneously to the same free outlet will not succeed, in other words, two testing relays cannot operate in parallel to the resistance battery from the free outlet.
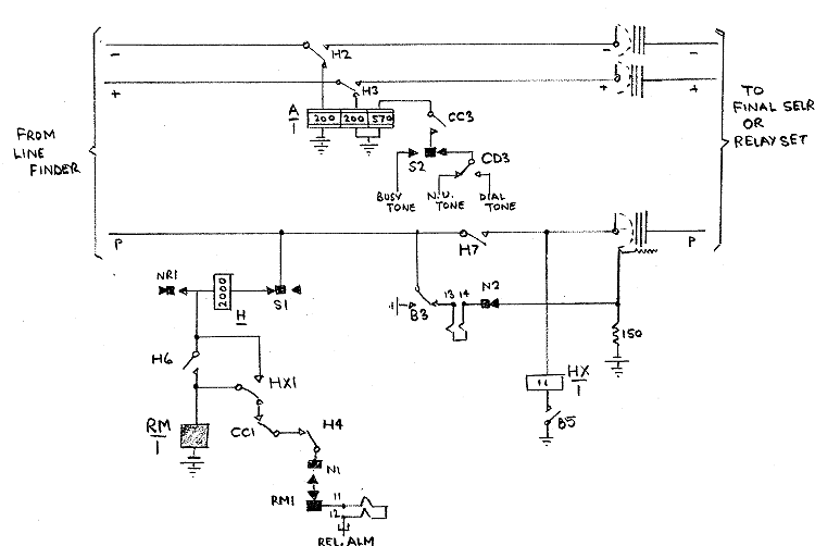
The UAX13 Group Selector
When the selector is not in use and is free, a 150 ohm battery is presented to the associated linefinder on the incoming P wire. On seizure, the A relay is operated. Relays B and CD operate as described previously. B3 earths the incoming P wire. A CC relay is also operated at this time, although this circuitry is not shown on this diagram. This connects dial tone to the caller and the connection back through the linefinder and line circuit is held by the B3 earth.
The selector then steps under the control of the pulse train with B, CD and CC holding to reach the desired level. At this point the selector has to decide whether or not the caller is allowed access to the dialled level. It does this by using signals sent forward from the line circuit determining whether the caller is "ordinary" or "coinbox", and by using a vertical marking bank to determine which level has been dialled. eg "ord" callers may be allowed to dial 8 whilst "CCB" callers may be barred.
If the call is barred, CD releases at the end of dialling but CC is held via the VMB. CC1 prevents the selector from entering the bank and CC3 connects NU tone to the caller.
If the level is permitted, relay CC releases following the release of CD. CC1 starts the drive into the level. Relay HX inspects each outlet as the wipers pass it. If no battery is present, HX remains released and the switch drives on. On finding an outlet with a 150 ohm battery on the P wire, HX operates quickly and at HX1 cuts the drive. It also operates relay H to the B3 earth on the P wire.
Relay H holds to the B3 earth via its H6 contact. H7 short circuits the HX relay which releases. H4 prevents the switch from driving on. H2 and H3 extend the caller's loop to the next selector, releasing relay A and starting the slow release of the B relay. However the next selector A and B relays operate to return a holding earth on the P wire before B3 can remove its local earth.
The loop has therefore been extended forward to the next stage and the selector is left holding to the earth returning on the P wire ie "forward loop, backward holding".
If all ten outlets are busy the selector steps onto the eleventh outlet and operates its internal S springs. The 150 ohm battery is connected to the eleventh step P wire outlet on all ten levels and this will operate the HX relay. HX1 will disconnect the drive, stopping the selector on the eleventh step with its S springs operated. S1 prevents the H relay from switching the caller away from the A relay, which continues to hold. This allows S2 to return busy tone to the caller.
One point to note is that the incoming P wire does not have its battery reconnected and therefore become free until the selector has restored to normal and contact N2 restores. ie the "homing" of the selector is guarded.
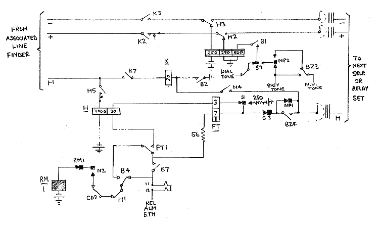
The PABX4 First Group Selector
This is a somewhat more complicated circuit as the selector also controls the uniselector linefinder. The testing relay FT first finds the caller's line circuit and then has to find a free outlet on the level dialled. In this article we will only deal with looking for a free outlet on a level.
When the selector is returning dial tone, relays A, B and K are operated. CD is not pre-operated. CD only operates when stepping starts and magnet current flows through the relay. However at the end of stepping CD releases as usual and connects the drive circuit to the rotary magnet. The selector now looks for a 250 ohm battery on the H wire, stepping over outlets with earths or disconnected H wires.
On reaching a free outlet, the 250 ohm battery operates the high speed relay FT via the 7 ohm winding and the 56 ohm resistor. This reduces the voltage on the H wire to cause it to test "busy". FT1 cuts the drive and operates relay H via its 30 ohm winding by placing it in parallel with the 56 +7 ohms of the FT circuit. H5 provides a hold circuit for relay H via the K relay to the B2 earth. H4 earths the outgoing P wire to short circuit FT and cause its release. H1 prevents the rotary magnet from taking any more steps. H2 and H3 extend the caller's loop to the next stage and release relay A. This in turn releases relay B slowly.
The following selector is now seized via the - and + wires, its A and B relays operate and a holding earth is returned on the H wire. This maintains relay K which is in series with The H relay and the LS and CO relays in the line circuit.
When the call is released, the earth on the H wire is removed and relays K and H restore. This reconnects the drive circuit for the rotary magnet at H1 and the selector restores to normal.
The selector can distinguish between extensions that are permitted exchange line calls and those that are not. A strap between BD and FT wires (not shown) is provided on extensions permitted exchange line access. This operates a BZ relay in the selector. If level 9 is dialled, then NP springs operate in the selector. With BZ4 operated the selector acts as normal as it can test the H wires on level 9. If BZ4 is not operated the NP1 springs disconnect the H wire and the switch steps to outlet eleven. The S springs operate, and S1 operates FT which holds to the battery stopping the selector. H cannot operate as S1 has its 30 ohm winding disconnected. Relays A and B remain operated and NU tone is returned to the calling extension.
Similarly should the selector reach outlet eleven on any other level the S springs operate to operate FT and cause the selector to stop. Busy tone will be returned.
 |
Page provided by John Bathgate
This page was last updated on
4th January 2016 |
|