mainmenu

Parkend Exchange Line Testing Arrangements


We have a tester AT5422 but no cords with which to connect it to our test jacks or fuse mounting. The answer is to use a test selector to gain access to exchange lines. We have also had to develop a small console with which to control the test selector. Arrangements for testing junction circuits etc still have to be designed.


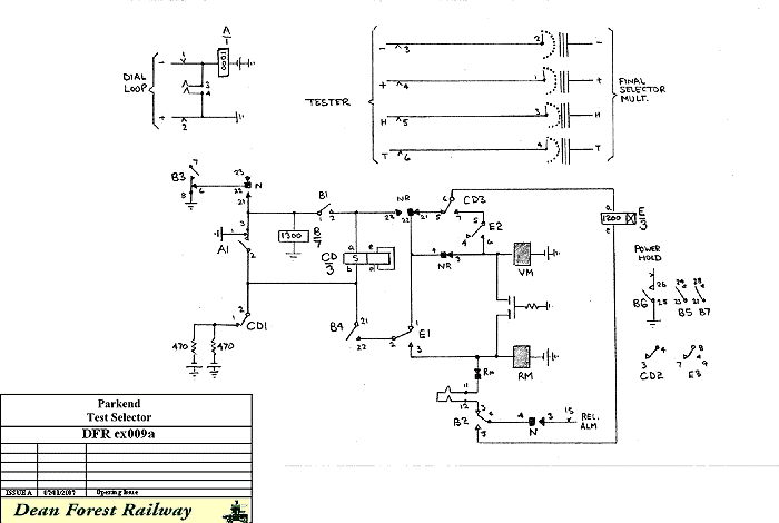
Test Selector

Parkend Test Selector Circuit

Show Test Selector Circuit as a PDF (160Kb 1 Page)

This test selector has been constructed using simple circuit elements from a final selector stepping circuit. The test selector merely positions the wipers onto the required exchange line multiple position and extends the -,+ and H wires to a test selector control console.


Test Access Control Circuit

Parkend Test Access Control Circuit

Show Test Access Circuit as a PDF (124Kb 1 Page)

This equipment positions the test selector onto a wanted exchange line multiple position with a dial key and dial. The P (or H) wire condition can be examined by operating the "Check P wire" key. A busy customer will light the P wire lamp. To remove the line circuit bridging conditions the "Busy P wire" key is operated to earth the P wire. The line can be extended to the At5422 by operating the "Conn Line" key.


Tester AT5422

Parkend AT5422 Circuit

Show AT5422 Circuit as a PDF (561Kb 1 Page)

The AT5422 is a standard model, however our copy of the circuit diagram is not very clear and reproduces badly.


Tester AT5422 Power Unit

Parkend Tester AT5422 Power Unit

Show AT5422 power supply as a PDF (127Kb 1 Page)

The tester normally requires a pair of batteries for line testing purposes, but this version of the AT5422 has arrived with a mains unit to provide the floating voltages required.


mainmenu

Page provided by John Bathgate

This page was last updated on
2nd July 2012