mainmenu

Norchard Exchange Final Selector Traffic Distribution Circuits

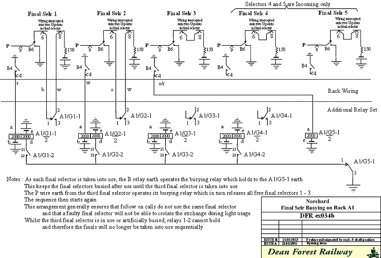
Norchard Final Selector Busying Relays

On non running days the traffic on the Dean Forest Telecoms system is very low. This resulted in all of the traffic using the same first choice final selector. When the barretter went faulty in the final, the exchange was virtually isolated and all calls failed.

These circuits distribute traffic over the available finals by busying them up as they are taken into use. When all finals in a group are busy, the circuits unbusy the group and the sequence starts again.

It was necessary to make a slight modification to the final selectors so that the battery testing condition could be disconnected to busy the selectors.


Rack A1

Norchard Final Selector Busying Circuit for Unit A1

Rack A2

Norchard Final Selector Busying Circuit for Unit A2

Show A1 Distributor as a PDF (74Kb 1 Page)
Show A2 Distributor as a PDF (74Kb 1 Page)


mainmenu

Page provided by John Bathgate

This page was last updated on
15th August 2012