mainmenu

Lydney Signal Box 22 Line Exchange



A small 22 line strowger exchange based on uniselector switching at Lydney Signal Box was brought fully into service on the 10th July 2013

All outgoing calls are connected via linefinders and outgoing junction relay sets to first selectors at Norchard. Dial tone is obtained from the Norchard selector. The caller from Lydney Signal Box is therefore be able to dial anything that a Norchard customer can.

Incoming calls arrive via junctions from level 6 circuits at Norchard exchange. The recent changes made to Parkend open this level to Parkend telephones. The final two digits are received at Lydney Signal Box and position a uniselector onto the required telephone circuit.

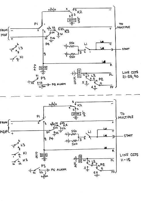
The exchangel initially has 11 line circuits provided plus the final complement of two incoming final selectors and two combined linefinders and outgoing junction relay sets. The common equipment, ie battery power, ringer and tones and alarms was already available and working at Lydney Signal Box.

An S and Z generator producing pulses at 11 minute intervals has been installed. This circuit provides the time interval during which a call may be held. After a time, generally two periods of S & Z pulses totalling 22 minutes, the call is force released and the caller is held on the P relay in the line circuit. This should ensure that faults do not cause the junctions to be held for an unduly long length of time.

The transmission bridges provided at Lydney Signal Box are of the transformer type in order that any earth hums will be eliminated.

The following diagrams show the exchange as it has been developed.



Line Circuits




Line Finder




Final Selector




Test number




S and Z Pulse Generator


Show Line Circuit as a PDF
Show LineFinder as a PDF
Show Final Selector as a PDF
Show Test Number 699 Circuit as a PDF
Show S and Z Pulse Generator and the NU Tone for Spare Lines Circuit as a PDF


mainmenu

Page provided by John Bathgate

This page was last updated on
8th August 2014