The Signal Post Central Battery Telephone
The Line Concentrator used by signalmen to talk to signal post telephones (SPTs) requires ordinary central battery phones at the signal posts. These phones derive their working current from the central 50 volt battery at the signal box. The 50 volt supply is fed to line via a 250 +250 ohm relay and a barretter, which limits the line current to a value suitable for directly energising the SPT microphone. No dial is wanted on these phones, they loop call into the signal box concentrator and are rung by 17hz from the signal box.
Many of the SPTs, particularly those mounted in the open on posts, are of various proprietary types. Some have conventional circuits derived from ordinary telephone practice, some are more modern and have electronic circuit boards within them.
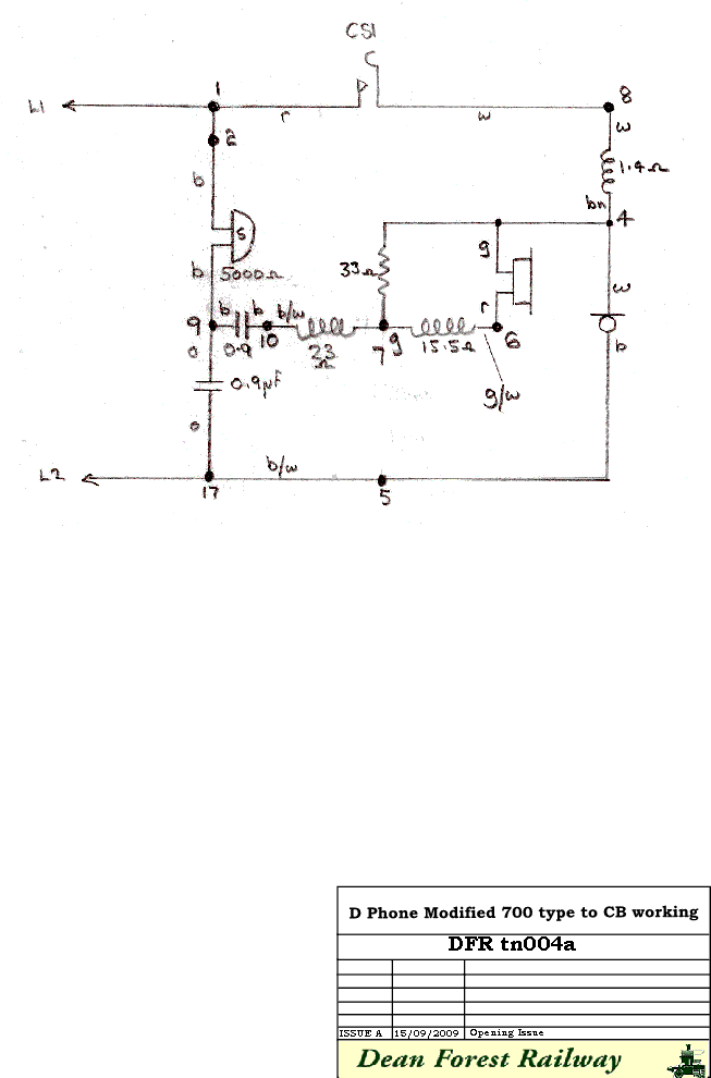
However, we did not have enough ordinary CB teles to fit everywhere and we have had to modify old ""D" phones to work as CB phones. One such internal 700 type phone is shown below with its modified circuit. There was nothing clever about this modification, it simply follows a 300 type circuit as far as possible. The coil in the "D" phone was wound for operation with a local microphone battery and trying various combinations of connections to the coil has resulted in the following circuit. It seems to work satisfactorily over reasonably short distance circuits.

Show Circuit as a PDF (128Kb)
 |
Page provided by John Bathgate
This page was last updated on
4th July 2012 |
|